自作Vector Worksソフト置場

何回も同じような図面書くのって大変。いい加減嫌になったから、数字だけで、図面が書けるプログラムを作っちまいました。

Vector Works、ソフト集です。
A&A社のVector worksが必要です。
互換性を考えてMini CAD7で保存してあります、



更新日2003年11月6日

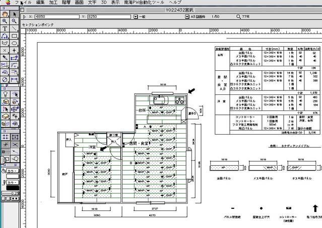
実行画面
タイトル

説明

更新日

ダウンロード
収納キット 収納の簡単設計入力です。 CADが書けない人でも、数値を入力するだけで、 図面と見積明細が作成できます。
部品の組み合わせでいろんなタイプの収納を作成し、 提案書の手助けをします。
いろんな組み合せが作れるのでとても便利!

H15.11.6

SyuunouKIT-112 v7.mcd

床暖房AUTO 図面をスキャナーで読み取り、床暖房位置と範囲を指定すると、
自動的に見積りと、部品表がかけるすぐれもの。
H14.8.28
これはやれない
バーコード印刷 商品記号とタイトルを入力するだけで、 簡単にバーコードラベルを作成することができます。
バーコード専用プリンター、やバーコード作成プログラムを買わなくてもいいですよ。
  shift-JIS18に対応

H15.11.6
18-barcode.mcd